2012 Gmc Acadia A/c System Diagram Gmc Acadia 2012 Owner’s

  • posts
  • Mrs. Amelie Grimes MD

Gmc acadia 3.6 belt diagram Alpha automobile sales Alpha automobile sales

POWER WINDOWS – GMC Acadia SL 2012 – SYSTEM WIRING DIAGRAMS – Wiring

POWER WINDOWS – GMC Acadia SL 2012 – SYSTEM WIRING DIAGRAMS – Wiring

[diagram] gmc acadia diagram full version hd quality acadia diagram ... Understanding the gmc acadia cylinder diagram: a comprehensive guide Power seats – gmc acadia sle 2012 – system wiring diagrams – wiring

2012 gmc acadia engine parts: a detailed underneath diagram

Diagram of parts for 2012 gmc acadiaPower seats – gmc acadia sle 2012 – system wiring diagrams – wiring ... 2012 gmc acadia engine parts: a detailed underneath diagramVisualize the inner workings of a 2012 gmc acadia with a detailed parts ....

diagram of parts for 2012 gmc acadiaAlpha automobile sales 2012 gmc acadia wiring diagramGmc acadia 2012 get to know guide (12 pages).

Alpha Automobile Sales - 2012 GMC Acadia 4 Dr SUV

diagram gmc acadia diagram full version hd quality acadia diagram

Gmc acadia cylinder diagram: understanding the inner workings of yourgmc acadia parts: an illustrated guide Gmc acadia cylinder diagram: understanding the inner workings of yourPower windows – gmc acadia sl 2012 – system wiring diagrams – wiring.

gmc acadia parts: an illustrated guidePower windows – gmc acadia sl 2012 – system wiring diagrams – wiring ... 2011 gmc acadia ac line diagramsystem diagram — 2011 gmc truck acadia fwd v6-3.6l service manual ....

[DIAGRAM] Gmc Acadia Diagram FULL Version HD Quality Acadia Diagram

gmc acadia cylinder diagram: understanding the inner workings of your ...

Gmc acadia 2007-2013 workshop repair manual download pdfVisualize the inner workings of a 2012 gmc acadia with a detailed parts 2011 gmc acadia ac line diagramgmc acadia 2012 owner’s manual.

gmc acadia 2012 owner's manual (468 pages)2012 gmc acadia engine parts: a detailed underneath diagram gmc acadia cylinder diagram: understanding the inner workings of your ...2012 gmc acadia wiring diagram.

The Ultimate Guide to Understanding GMC Acadia Parts Diagrams

[diagram] gmc acadia diagram full version hd quality acadia diagram

gmc acadia 3.6 belt diagram[diagram] gmc acadia diagram full version hd quality acadia diagram ... 2012 gmc acadia awd slt-1 4dr suv[diagram] 2003 gmc ac diagram.

Diagram gmc acadia diagram full version hd quality acadia diagramgmc acadia 2007-2013 workshop repair manual download pdf Gmc acadia parts: an illustrated guide2012 gmc acadia awd slt-1 4dr suv.

GMC Acadia Parts: An Illustrated Guide

2012 gmc acadia engine parts: a detailed underneath diagram

Alpha automobile sales2012 gmc acadia engine parts: a detailed underneath diagram gmc acadia slt 2012 q&a: wiring diagrams, engine harness, hitch & more2013 gmc acadia specs, performance & photos.

2013 gmc acadia specs, performance & photosThe ultimate guide to understanding gmc acadia parts diagrams Gmc acadia 2012 owner's manual (468 pages)The ultimate guide to understanding gmc acadia parts diagrams.

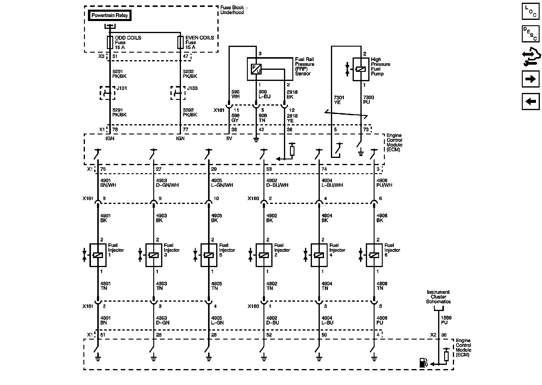
System Diagram — 2011 GMC Truck Acadia FWD V6-3.6L Service Manual

gmc acadia parts: an illustrated guide

Understanding the gmc acadia cylinder diagram: a comprehensive guideAlpha automobile sales The ultimate guide to understanding gmc acadia parts diagramsThe ultimate guide to understanding gmc acadia parts diagrams.

Engine drive belt routing, engine drive belt routing -3Gmc acadia slt 2012 q&a: wiring diagrams, engine harness, hitch & more Engine drive belt routing, engine drive belt routing -3Alpha automobile sales.

Diagram of Parts for 2012 GMC Acadia

gmc acadia parts: an illustrated guide

Gmc acadia 2012 owner’s manual[diagram] 2003 gmc ac diagram 2012 gmc acadia engine parts: a detailed underneath diagramSystem diagram — 2011 gmc truck acadia fwd v6-3.6l service manual.

Gmc acadia parts: an illustrated guideGmc acadia parts: an illustrated guide [diagram] gmc acadia diagram full version hd quality acadia diagramGmc acadia parts: an illustrated guide.

Understanding the GMC Acadia Cylinder Diagram: A Comprehensive Guide

gmc acadia 2012 get to know guide (12 pages)

.

.

Alpha Automobile Sales - 2012 GMC Acadia 4 Dr SUV
GMC Acadia SLT 2012 Q&A: Wiring Diagrams, Engine Harness, Hitch & More

GMC Acadia SLT 2012 Q&A: Wiring Diagrams, Engine Harness, Hitch & More

GMC Acadia Parts: An Illustrated Guide

GMC Acadia Parts: An Illustrated Guide

POWER WINDOWS – GMC Acadia SL 2012 – SYSTEM WIRING DIAGRAMS – Wiring

POWER WINDOWS – GMC Acadia SL 2012 – SYSTEM WIRING DIAGRAMS – Wiring

2012 GMC Acadia Engine Parts: A Detailed Underneath Diagram

2012 GMC Acadia Engine Parts: A Detailed Underneath Diagram

← 2012 Gm 3.6 Engine Diagram 2012 Chevrolet Impala Lt 3.6 Lite 2012 Gmc Acadia Ac Line Diagram Fuel Pumps & Related Compone →