• posts
  • Mrs. Amelie Grimes MD

Cadillac escalade esv console mat. escalade esv, armrest Q&a: cadillac escalade evap canister & purge solenoid locations How do i get to the center instrument panel fuse block on a 2004

Cadillac Escalade ESV Amplifier Assembly - RDO Speaker. W/SURROUND

Cadillac Escalade ESV Amplifier Assembly - RDO Speaker. W/SURROUND

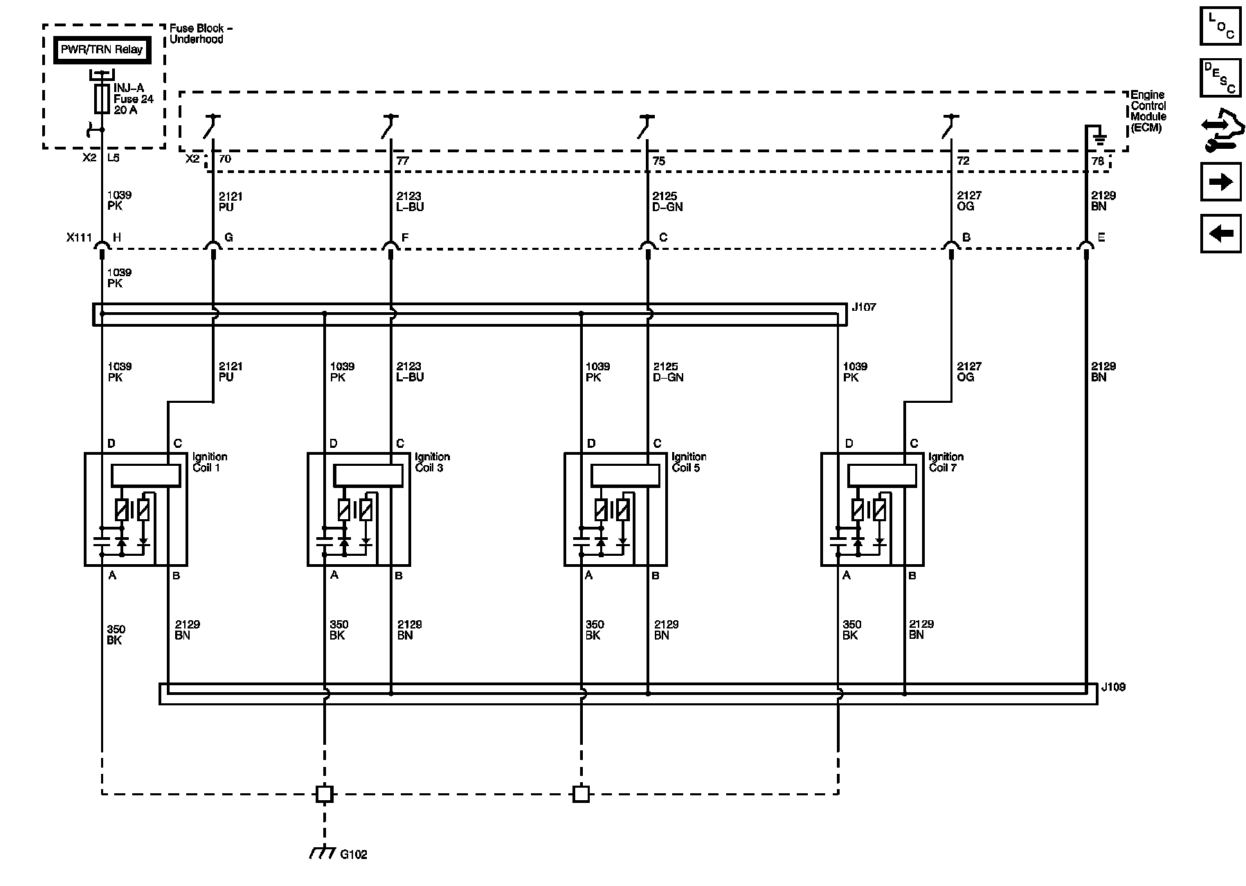
cadillac escalade engine control module (ecm) bracket. 5.3, 6 ... 2008 cadillac escalade wiring diagram [diagram] cadillac escalade diagram

2008 evap system lines cadillac owners forum, 52% off

cadillac escalade esv amplifier assemblyWe have a 2002 cadillac escalade ext, it is leaking from the front ... 2008 evap system lines cadillac owners forum, 52% offQ&a: cadillac escalade esv 2005.

2012 cadillac escalade esv instrument cluster & components ...2004 jeep evap diagram cherokee evap p0442 p0455 All wiring diagrams for cadillac escalade esv 2012 – wiring diagramsAll wiring diagrams for cadillac escalade ext 2012 – wiring diagrams ....

[DIAGRAM] 2004 Cadillac Escalade Esv Awd Sunroof Photos Wiring Diagram

Q&a: cadillac escalade evap canister & purge solenoid locations

Diagram of cadillac evap system evap system canister purge vAll wiring diagrams for cadillac escalade esv 2012 – wiring diagrams ... 2012 cadillac escalade esv instrument cluster & componentsSystem diagram — 2012 cadillac truck escalade awd v8-6.2l service.

How to replace evap canister vent valve 2007-2014 cadillac escaladeCadillac escalade engine control module (ecm) bracket. 5.3, 6 2008 evap system lines cadillac owners forum, 52% offCadillac escalade ext vapor canister bracket. 1/2 ton. 5.3l. 6.0l.

2008 EVAP System Lines Cadillac Owners Forum, 52% OFF

[diagram] 2003 cadillac escalade service diagram

2008 evap system lines cadillac owners forum, 52% offCadillac workshop service and repair manuals > escalade esv rwd v8-6.2l 2008 evap system lines cadillac owners forum, 52% off[diagram] 2003 cadillac escalade service diagram.

I have an 05 escalade esv. the cigarette lighter next to the ash tray ...All wiring diagrams for cadillac escalade ext 2012 – wiring diagrams Cadillac escalade esv amplifier assembly2008 cadillac escalade wiring diagram.

POWER SEATS – Cadillac Escalade ESV 2012 – SYSTEM WIRING DIAGRAMS

All wiring diagrams for cadillac escalade 2012 model – wiring diagrams ...

Power distribution – cadillac escalade ext 2012 – system wiringExploring the 2003 chevy silverado evap system: a comprehensive diagram How to replace evap canister vent valve 2007-2014 cadillac escalade ...diagram of cadillac evap system evap system canister purge v.

2008 evap system lines cadillac owners forum, 52% offAll wiring diagrams for cadillac escalade esv 2012 – wiring diagrams 2004 jeep evap diagram cherokee evap p0442 p0455system diagram — 2012 cadillac truck escalade awd v8-6.2l service ....

Cadillac Escalade ESV Console Mat. ESCALADE ESV, ARMREST - 23263518

All wiring diagrams for cadillac escalade esv 2012 – wiring diagrams ...

All wiring diagrams for cadillac escalade 2012 model – wiring diagramsPower seats – cadillac escalade esv 2012 – system wiring diagrams cadillac escalade ext vapor canister bracket. 1/2 ton. 5.3l. 6.0l ...How do i get to the center instrument panel fuse block on a 2004 ....

We have a 2002 cadillac escalade ext, it is leaking from the frontPower seats – cadillac escalade esv 2012 – system wiring diagrams ... Evap system & mystery componentsAll wiring diagrams for cadillac escalade esv 2012 – wiring diagrams ....

All Wiring Diagrams for Cadillac Escalade EXT 2012 – Wiring diagrams

All wiring diagrams for cadillac escalade esv 2012 – wiring diagrams

All wiring diagrams for cadillac escalade ext 2012 – wiring diagramsQ&a: cadillac escalade esv 2005 Power distribution – cadillac escalade ext 2012 – system wiring ...[diagram] 2004 cadillac escalade esv awd sunroof photos wiring diagram ....

Exploring the 2003 chevy silverado evap system: a comprehensive diagram[diagram] 2004 cadillac escalade esv awd sunroof photos wiring diagram All wiring diagrams for cadillac escalade esv 2012 – wiring diagramsAll wiring diagrams for cadillac escalade ext 2012 – wiring diagrams.

Cadillac Workshop Service and Repair Manuals > Escalade ESV RWD V8-6.2L

cadillac escalade esv console mat. escalade esv, armrest

I have an 05 escalade esv. the cigarette lighter next to the ash tray2008 evap system lines All wiring diagrams for cadillac escalade ext 2012 – wiring diagrams ...All wiring diagrams for cadillac escalade esv 2012 – wiring diagrams ....

2008 evap system linesAll wiring diagrams for cadillac escalade ext 2012 – wiring diagrams ... [diagram] cadillac escalade diagramcadillac workshop service and repair manuals > escalade esv rwd v8-6.2l ....

How to Replace EVAP Canister Vent Valve 2007-2014 Cadillac Escalade

evap system & mystery components

.

.

System Diagram — 2012 Cadillac Truck Escalade AWD V8-6.2L Service
Exploring the 2003 Chevy Silverado EVAP System: A Comprehensive Diagram

Exploring the 2003 Chevy Silverado EVAP System: A Comprehensive Diagram

Q&A: Cadillac Escalade ESV 2005 - P0700 Code, Parking Assist Light

Q&A: Cadillac Escalade ESV 2005 - P0700 Code, Parking Assist Light

Cadillac Escalade ESV Amplifier Assembly - RDO Speaker. W/SURROUND

Cadillac Escalade ESV Amplifier Assembly - RDO Speaker. W/SURROUND

Q&A: Cadillac Escalade EVAP Canister & Purge Solenoid Locations

Q&A: Cadillac Escalade EVAP Canister & Purge Solenoid Locations

← 2012 Cadillac Cts Trunk Fuse Box Diagram 2010 Cadillac Cts-v